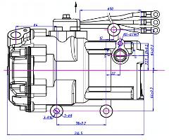
Innovativer Verdichter mit 24V Betriebsspannung. Optimal für Standklimatisierung von LKW und mittleren Frischdienstfahrzeugen.

Kälteleistung und Leistungsaufname in kW, COP) als Funktion der Drehzahl bei | | ||||
| |
Innovativer Verdichter mit 24V Betriebsspannung. Optimal für Standklimatisierung von LKW und mittleren Frischdienstfahrzeugen.

Kälteleistung und Leistungsaufname in kW, COP) als Funktion der Drehzahl bei | | ||||
| |